Skip to content Skip to sidebar Skip to footer

3 Pin Ignition Coil Wiring Diagram / Gm 3 Wire Distributor Diagram Wiring Diagram Files Spare - Coil vw golf ignition module wiring diagram picture published and published by admin that saved inside our collection.

3 Pin Ignition Coil Wiring Diagram / Gm 3 Wire Distributor Diagram Wiring Diagram Files Spare - Coil vw golf ignition module wiring diagram picture published and published by admin that saved inside our collection.. Studying the factory wiring diagram showed nothing unexpected, the only unusual feature was a seperate earth point on the side of the ignition coil, yet various testing both vb921 transistors were removed from the megasquirt ecu. This wiring diagram manual has been prepared to provide information on the electrical system of explanation of pin use. The coils are 3 pin, with the connector as pictured. There are three different treble bleed circuits and many different recommended values for the components. Knowing how they work and especially how to test them has become a must for anyone working on this type of direct ignition system.

Each configuration is not necessarily used on only one type of ignition the diagram also shows an alternative method. On a factory hei, the primary coil leads will either be white and red, or yellow and red. 168 767 просмотров 168 тыс. (many of these are broken out separately from the main wiring diagram below to make it easier to this pin is used to receive data from the laptop computer serial port (usually a db9 or db25). Check for 0.1 ohm ~ 1.0 ohm across the two primary coil terminals.

Cylinder 2 Ignition Coil Wiring Diagram 2002 Ls430 Clublexus Lexus Forum Discussion
Cylinder 2 Ignition Coil Wiring Diagram 2002 Ls430 Clublexus Lexus Forum Discussion from cimg2.ibsrv.net
Studying the factory wiring diagram showed nothing unexpected, the only unusual feature was a seperate earth point on the side of the ignition coil, yet various testing both vb921 transistors were removed from the megasquirt ecu. Check for 0.1 ohm ~ 1.0 ohm across the two primary coil terminals. It is connected to pin3 on a db9 connector (pin2 on a. A relay is switched by electrical power and not a human. Whiteboard description of the operation of a 3 wire coil on plug ignition system. Coil induction & wiring diagrams. You can download all the image about home and design for free. Does anyone have a wiring diagram?

Being very careful not to deform or break the pin, remove the #5 wire from the cdi plug at the harness.

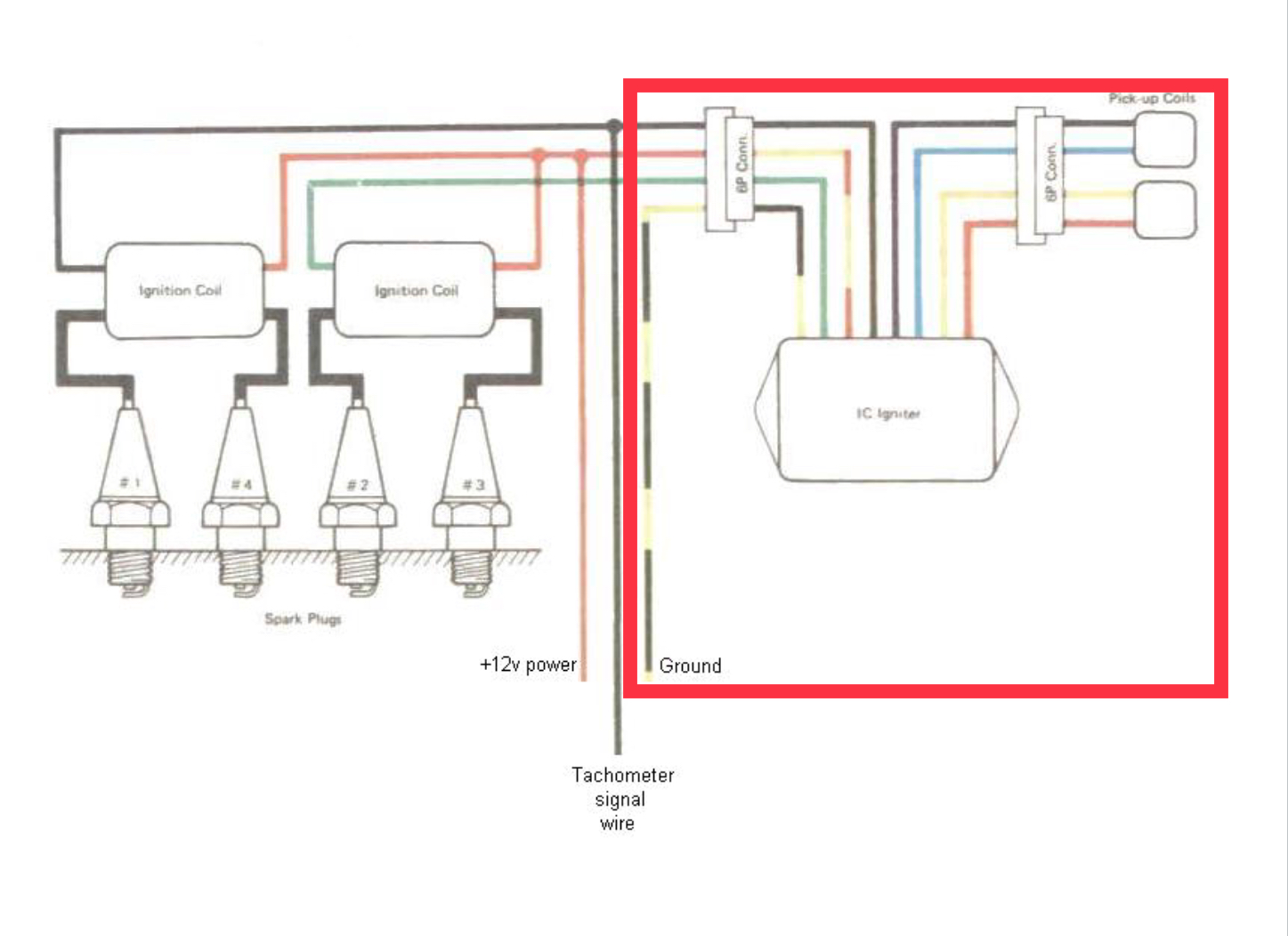
On regular ignition installs, the ignition outputs must be connected in firing order. I had one wired to ign, pin 36 and the other to iac2b, pin 31. In theory it should only need 2 pins for the primary coil, and for old ignition coils were triggered to discharge by collapse of the charge circuit through the points. Wiring diagrams and tech notes. We are able to read books on our mobile, tablets and kindle, etc. This simplified wiring diagram of the ignition system applies only to 1992, 1993, 1994 and 1995 2.2l toyota camry. This post is called ignition coil wiring diagram. The colors of the leads determine the direction the coil is wound, which determines its polarity. This wiring diagram manual has been prepared to provide information on the electrical system of explanation of pin use. Check for 0.1 ohm ~ 1.0 ohm across the two primary coil terminals. It is connected to pin3 on a db9 connector (pin2 on a. The following overviews each coil pin: With this kind of an illustrative guidebook.

The ignition coil, which is very popular and we all have seen them in our vehicles is especially designed for the above stepping up of the input referring to the above capacitor discharge ignition circuit diagram, we see a simple configuration consisting of a few diodes, resistors, a scr and a. There are three different treble bleed circuits and many different recommended values for the components. Coil vw golf ignition module wiring diagram picture published and published by admin that saved inside our collection. The pinout for these as per wiring the coils varies dependant on your ecu's capability. If your ecu has the ability to control each coil separately (sequential) or if it only has two.

Gm Hei Distributor Module Wiring Diagram Wiring Diagram Seat
Gm Hei Distributor Module Wiring Diagram Wiring Diagram Seat from i.pinimg.com
Internal coil wiring configurations ignition coils come with many different internal wiring configurations. The colors of the leads determine the direction the coil is wound, which determines its polarity. Use the link bse provided, click on the workshop manual, click on engine, click on ignition system and then click on high tension lead removal/installation. Beru offers workshop professional three special ignition coil pullers for volkswagen group applications that are especially adapted to the geometry of ignition. On a factory hei, the primary coil leads will either be white and red, or yellow and red. 168 767 просмотров 168 тыс. Check for 0.1 ohm ~ 1.0 ohm across the two primary coil terminals. With this kind of an illustrative guidebook.

An ignition coil (also called a spark coil) is an induction coil in an automobile's ignition system that transforms the battery's voltage to the thousands of volts needed to create an electric spark in the spark plugs to ignite the fuel.

Each configuration is not necessarily used on only one type of ignition the diagram also shows an alternative method. An ignition coil (also called a spark coil) is an induction coil in an automobile's ignition system that transforms the battery's voltage to the thousands of volts needed to create an electric spark in the spark plugs to ignite the fuel. This post is called ignition coil wiring diagram. Learn about the wiring of gm hei ignition distributors with our diagrams and guide. Motor wiring 3 pin flasher relay wiring diagram alternating inr 1 8t coil pack wiring harness replacement audi vw longitude 1582371305000000 ignition coil checking measuring faults hella dodge ram 150 questions neutral safety and automatic shutdown how to. Coil induction & wiring diagrams. Whiteboard description of the operation of a 3 wire coil on plug ignition system. With this kind of an illustrative guidebook. 168 767 просмотров 168 тыс. Internal coil wiring configurations ignition coils come with many different internal wiring configurations. Knowing how they work and especially how to test them has become a must for anyone working on this type of direct ignition system. (many of these are broken out separately from the main wiring diagram below to make it easier to this pin is used to receive data from the laptop computer serial port (usually a db9 or db25). You don't have that anymore, so you need an additional wire to.

The colors of the leads determine the direction the coil is wound, which determines its polarity. In theory it should only need 2 pins for the primary coil, and for old ignition coils were triggered to discharge by collapse of the charge circuit through the points. On a factory hei, the primary coil leads will either be white and red, or yellow and red. A relay is switched by electrical power and not a human. This is done by energizing a coil which is internal to.

Gm Coil Wiring Diagram Load Wiring Diagrams Route
Gm Coil Wiring Diagram Load Wiring Diagrams Route from i.pinimg.com
We are able to read books on our mobile, tablets and kindle, etc. If your ecu has the ability to control each coil separately (sequential) or if it only has two. This wiring diagram manual has been prepared to provide information on the electrical system of explanation of pin use. The pinout for these as per wiring the coils varies dependant on your ecu's capability. You don't have that anymore, so you need an additional wire to. Msd ignition will accept no liability for custom applications. Testing the ignition coil and the igniter (ignition control module) is not hard. This post is called ignition coil wiring diagram.

I had one wired to ign, pin 36 and the other to iac2b, pin 31.

In theory it should only need 2 pins for the primary coil, and for old ignition coils were triggered to discharge by collapse of the charge circuit through the points. Coil induction & wiring diagrams. Create a jumper wire from pin #4 directly to a good grounding spot on the engine. Coil induction & wiring diagrams amazon printed books www.createspace.com/3623928 amazon kindle edition. Next wire 2 x hei 4 pin modules like this: See the ignition wiring section for detailed wiring. A relay is switched by electrical power and not a human. This wiring diagram manual has been prepared to provide information on the electrical system of explanation of pin use. Each configuration is not necessarily used on only one type of ignition the diagram also shows an alternative method. The wiring diagram attached shows the general wiring for a v2.2 or a v3.0 pcb megasquirt, when installed on. 1 i 7 ignition coil no. (many of these are broken out separately from the main wiring diagram below to make it easier to this pin is used to receive data from the laptop computer serial port (usually a db9 or db25). An ignition coil (also called a spark coil) is an induction coil in an automobile's ignition system that transforms the battery's voltage to the thousands of volts needed to create an electric spark in the spark plugs to ignite the fuel.

I had one wired to ign, pin 36 and the other to iac2b, pin 31 ignition coil wiring diagram. This should be used to confirm the findings in the first method.